Product Summary
The LC4128V-75TN144C is a In-System Programmable SuperFAST High Density PLD.
Parametrics
Absolute maximum ratings: (1)Supply Voltage (VCC):-0.5V to 5.5V ; (2)Output Supply Voltage (VCCO):-0.5V to 4.5V ; (3)Input or I/O Tristate Voltage Applied4, 5:-0.5V to 5.5V ; (4)Storage Temperature:-65℃ to 150℃; (5)Junction Temperature with Power Applied:-55℃ to 150℃.
Features
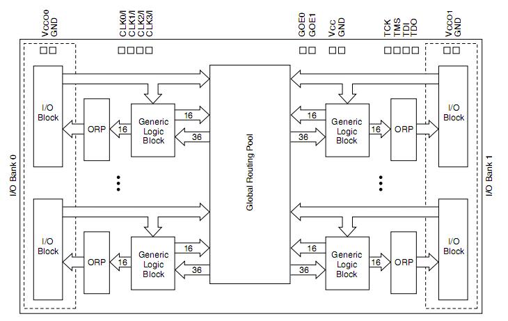
Features: (1)fMAX = 400MHz maximum operating frequency; (2)tPD = 2.5ns propagation delay ; (3)Up to four global clock pins with programmable clock polarity control; (4)Up to 80 PTs per output; (5)Up to four global OE controls; (6)Individual local OE control per I/O pin; (7)Excellent First-Time-Fit TM and refit; (8)Fast path, SpeedLockingTM Path, and wide-PT path; (9)5V tolerant I/O for LVCMOS 3.3, LVTTL, and PCI interfaces; (10)Hot-socketing; (11)Open-drain capability; (12)Input pull-up, pull-down or bus-keeper; (13)Programmable output slew rate; (14)3.3V PCI compatible; (15)IEEE 1149.1 boundary scan testable; (16)3.3V/2.5V/1.8V In-System Programmable.
Diagrams

| Image | Part No | Mfg | Description | ![]() |
Pricing (USD) |
Quantity | ||||||||||
|---|---|---|---|---|---|---|---|---|---|---|---|---|---|---|---|---|
![]() |
![]() LC4128V-75TN144C |
![]() Lattice |
![]() CPLD - Complex Programmable Logic Devices 400MHZ 128 Macrocell 3.3 V 7.5 tPD |
![]() Data Sheet |
![]()
|
|
||||||||||
| Image | Part No | Mfg | Description | ![]() |
Pricing (USD) |
Quantity | ||||||||||
![]() |
![]() LC4100C |
![]() Other |
![]() |
![]() Data Sheet |
![]() Negotiable |
|
||||||||||
![]() |
![]() LC4101C |
![]() Other |
![]() |
![]() Data Sheet |
![]() Negotiable |
|
||||||||||
![]() |
![]() LC4102C |
![]() Other |
![]() |
![]() Data Sheet |
![]() Negotiable |
|
||||||||||
![]() |
![]() LC4104C |
![]() Other |
![]() |
![]() Data Sheet |
![]() Negotiable |
|
||||||||||
![]() |
![]() LC4105V |
![]() Other |
![]() |
![]() Data Sheet |
![]() Negotiable |
|
||||||||||
![]() |
![]() LC4115 |
![]() Other |
![]() |
![]() Data Sheet |
![]() Negotiable |
|
||||||||||
(China (Mainland))










